高壓軟啟動器是一種集電機軟起動、軟停車、輕載節能和多種保護功能于一體的新穎電機控制裝置。它的主要構成是串接于電源與被控電機之間的三相反并聯閘管及其電子控制電路。運用不同的方法,控制三相反并聯閘管的導通角,使被控電機的輸入電壓按不同的要求而變化,就可實現不同的功能。
工作原理
高壓軟啟動柜采用計算機控制技術和電力電子技術相結合,主回路的開關元件采用高壓大功率晶閘管,通過控制晶閘管來實現輸出電壓,起動電流根據起動條件得到最優控制,實現電動機的平穩起停。
高壓軟啟動柜通過控制晶閘管可降低加在電機上的電壓,然后通過慢慢地控制加在電機上的電壓和電流平滑地增加電機轉矩,直到電機加速到全速運行,可以有效減小起動電流,同時晶閘管靜態、動態均壓保護措施,應具有技術先進、結構緊湊、安全可靠、維護方便等特點
高壓軟啟動柜柜體采用焊接結構,具有防塵性好、結構緊湊、美觀大方的特點
高壓軟啟動柜通過控制晶閘管可降低加在電機上的電壓,起動電流為額定電流的1~5倍可調。
高壓軟啟動柜采用信號多級處理及隔離技術,具有很強的抗干擾能力。
高壓軟啟動柜能準確的采集高壓主回路的同步信號和電流信號,有效的實現閉環控制。 1.3.7 高壓固態軟起動裝置具有旁路功能,起動完成后無擾切到工頻運行。
保護功能
過載保護共6級保護級別,根據所設定的過載保護曲線進行保護;
過流保護:20—500%Ie 通過檢測運行過程中的電流實現運行過程中的過流保護;
過壓保護:主電網電壓上升到120%額定電壓時,延遲1~10S(可調),跳閘保護;
欠壓保護:主電網電壓低于額定電壓70%時,延遲時間1~10S(可調),跳閘保護;
缺相保護:當任意一相缺失時,跳閘保護;
相序保護:可設置相序檢測,當檢測到相序錯誤時保護;
相電流不平衡:主回路電流不平衡度超過設定數值(0~100%可調),跳閘保護;
晶閘管過溫保護:當晶閘管散熱器溫度超過85℃時,跳閘保護;
起動超時保護:在設定的最長起動時間內(0~120S可調),電動機仍未達到全速,跳閘保護;
零序保護:當檢測到漏電電流時,跳閘保護
具有自檢程序:開機自檢
技術特點及配置
免維護:可控硅是無觸點的電子器件,不同于其他類型的產品需經常維護液體和部件等,把機械壽命變為電子元件使用壽命,連續運行數年也無需停機維護。
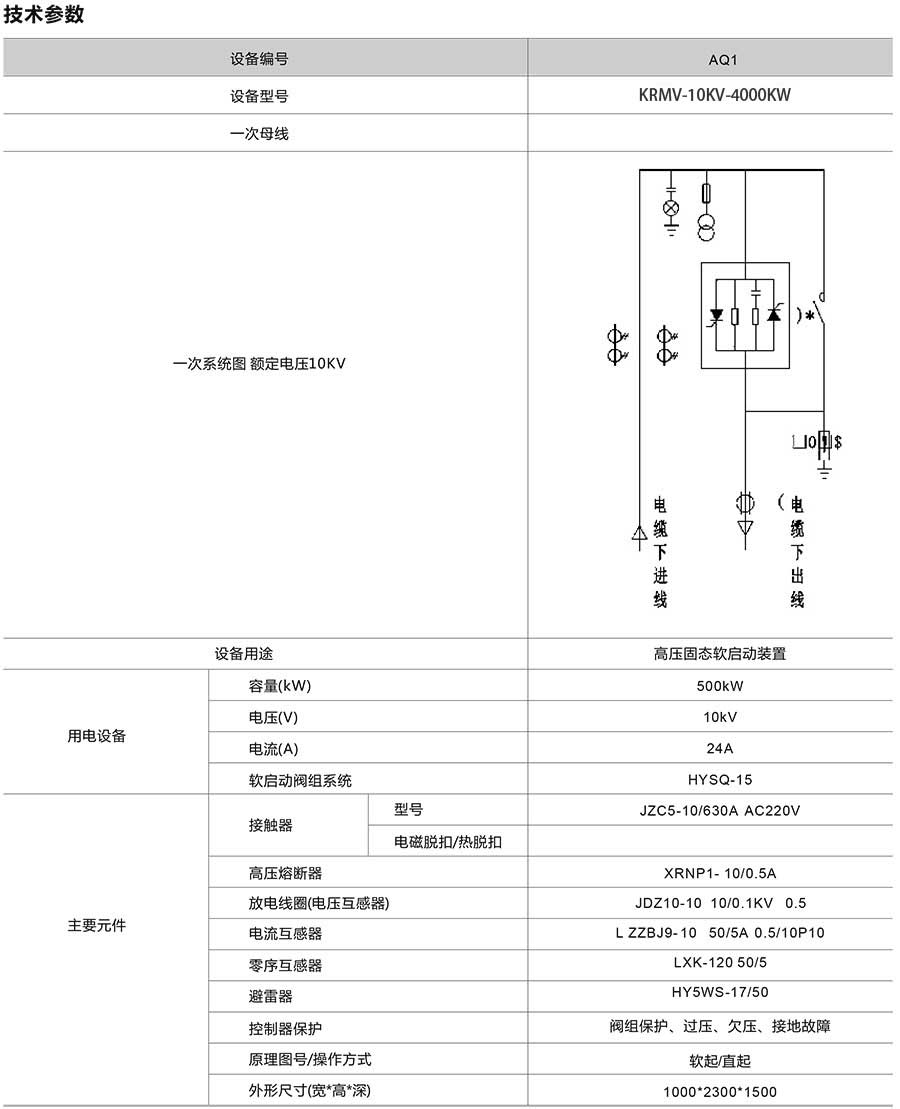
安裝使用簡單:KRMV-10KV-4000KW是一個完整的電機起動控制和保護系統。在加高壓運行前,允許使用低壓對整個系統進行電氣測試。
采用高壓功率晶閘管,組件式結構、模塊化設計,便于安裝維護。
具有多重過電壓吸收、保護技術
內置有直接起動容量的真空接觸器,在檢修過程中或出現故障時,電動機可以采用直接起動方式工作,保證生產的連續性。
采用32位ARM核微控制器執行中心控制,控制實時高效、顯示直觀、可靠性高、穩定性好。
采用國外著名高抗干擾性的數字式觸發器與光纖隔離技術、使得裝置的高、低壓做到可靠的隔離。
采用中文液晶顯示系統,操作界面人性化。
RS-485通訊接口,標準MODBUS協議。可與上位機或集中控制中心進行通信。
所有電路板均經過嚴格的老化實驗,并進行三防處理,主板及所有控制板CPU全部選用原裝進口產品。
電壓取樣采用電磁式電壓互感器取樣線性好,抗干擾性強,無零漂
高壓軟啟動柜有三相電壓、三相電流顯示。保護功能:缺相、欠壓、過壓、過流、過載等,采用RS485接口引至集中監控。
高壓軟啟動柜母線采用優質電解銅,純度達到99.99%,載流量及截面積按設計要求,柜內結構采用高絕緣性能材料模具作支撐,進、出接線易于接線,柜內有固定線卡。
高壓軟啟動柜預留系統信號接點
